ÇATI TİPİ FANLAR

YATAY ATIŞLI RADYAL ÇATI FANI

YATAY ATIŞLI RADYAL ÇATI FANI

ÇATI TİPİ FANLAR

çatı üstü havalandırma ve egzoz
uygulamaları için tasarlanmıştır. Geriye eğik kanatlı
alüminyum pervanesi sayesinde yüksek statik basınç üretir
ve kanal direncine karşı dengeli hava akışı sağlar.

Koruyucu üst kapak yapısı, fanın dış ortam koşullarından
etkilenmeden çalışmasına imkân tanır. Endüstriyel tesisler,
ticari yapılar, mutfak egzoz sistemleri ve kapalı hacimlerde
kirli havanın çatıdan güvenli şekilde tahliye edilmesi
amacıyla kullanılır.
Model Voltaj
(v)
Devir
(rpm)
Debi
(m³/h)
AVS-CRF-190 230 2400 650
AVS-CRF-220 230 2400 1000
AVS-CRF-250 230 2400 1300
AVS-CRF-315 230 2400 1800
AVS-CRF-355 230 1400 2750
AVS-CRF-400 230 1400 3600
AVS-CRF-450 230 1400 5900
AVS-CRF-500 380 1400 8000
AVS-CRF-560 380 1400 10000

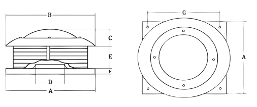
TEKNİK BİLGİLER

Model A (mm) B (mm) C1 (mm) D (mm) E (mm) F (mm) G (mm)
AVS-CRF-190 250mm 260mm 60mm 160mm 125mm 30mm 210mm
AVS-CRF-220 340mm 370mm 60mm 160mm 125mm 30mm 270mm
AVS-CRF-250 370mm 450mm 80mm 160mm 125mm 30mm 325mm
AVS-CRF-315 435mm 490mm 80mm 180mm 125mm 30mm 390mm
AVS-CRF-355 595mm 490mm 80mm 235mm 180mm 30mm 495mm
AVS-CRF-400 595mm 530mm 80mm 270mm 180mm 30mm 495mm
AVS-CRF-450 665mm 530mm 80mm 285mm 220mm 30mm 565mm
AVS-CRF-500 800mm 900mm 100mm 320mm 265mm 40mm 690mm
AVS-CRF-560 800mm 900mm 100mm 355mm 265mm 40mm 690mm
Teknik Çizim - YATAY ATIŞLI RADYAL ÇATI FANI

Benzer Ürünlerimiz

120 °C YATAY ATIŞLI HARİCİ MOTORLU ÇATI TİPİ FAN

120 °C YATAY ATIŞLI HARİCİ MOTORLU ÇATI TİPİ FAN

Harici motorlu geriye eğik kanatlı radyal fanlar, düşük enerji tüketimiyle yüksek verim sunan, yükse...

Ürünü İncele →
Bizi arayabilirsiniz!
Ara
WhatsApp görüşebiliriz!
WhatsApp
Mail